Industrial Instruments
Chemical Seal Diaphragm Flange Pressure Transmitter DPI10L
level and pressure measurement of liquids, gases, crystallizing, and viscous media in industries such as: Chemical, Petroleum
Measuring Range:0 - 2MPa
Power Supply:12.5-36VDC
Output Signal:4-20mA / 4-20mA+HART
Temperature Range:-20-85°C
Protection Rating:IP66
Download Materials: Click To Download
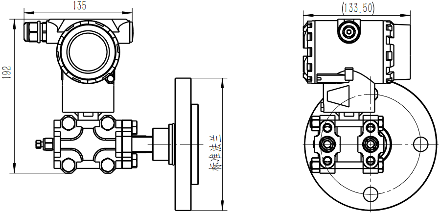
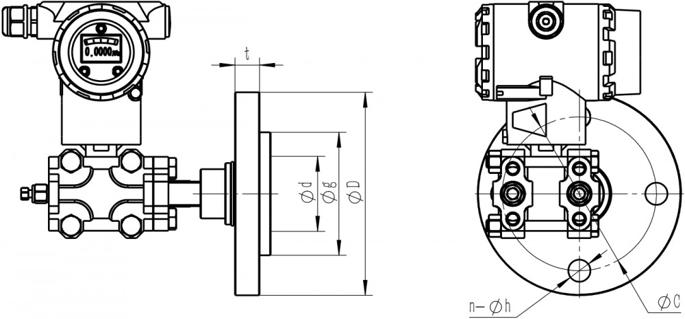
Outline Dimension Diagram: Outline Dimensions:
Flange Dimensions:
Flange Size:2-inch(50mm,DN50)
Flange Size:3-inch(80mm,DN80)
Electrical Connection Diagram:
Product Introduction: Suitable for:level and pressure measurement of liquids, gases, crystallizing, and viscous media in industries such as: Chemical, Petroleum, Oil Refining, Thermal Power, Coking, Steel, Metallurgy, Fertilizer, Wastewater Treatment, etc. Features: Analog output signal, modular design, 1-year warranty provided, 180°rotatable LCD head, 5-digit LCD display head; High pressure resistance, high temperature resistance. Performance Parameters: Measuring Range: 0 - 2 MPa Supply Voltage Range:12.5 - 36 VDC Output Signal: 4-20mA / 4-20mA+HART Process Connection:Standard flange, customer must provide flange standard and dimensions. Full Scale Accuracy: 0.25% F.S, 0.5% F.S Ambient Temperature:-20 to 85°C Protection Rating: IP66 Explosion-proof Rating:Exia IICT4 and Exia IICT6 Electrical Connection: M20X1.5 internal thread Overpressure Limit: Static pressure resistance 13 MPa Housing Material:Low-copper aluminum casting Filling Fluid:Silicone Oil Paint Color: Blue-Grey two-tone high-adhesion polyester paint, durable, non-cracking, non-fading Diaphragm Material:316L Stainless Steel, Hastelloy C-276, Monel, Tantalum |
Outline Dimension Diagram: Outline Dimensions:
Flange Dimensions:
Flange Size:2-inch(50mm,DN50)
Flange Size:3-inch(80mm,DN80)
Electrical Connection Diagram:
Product Introduction: Suitable for:level and pressure measurement of liquids, gases, crystallizing, and viscous media in industries such as: Chemical, Petroleum, Oil Refining, Thermal Power, Coking, Steel, Metallurgy, Fertilizer, Wastewater Treatment, etc. Features: Analog output signal, modular design, 1-year warranty provided, 180°rotatable LCD head, 5-digit LCD display head; High pressure resistance, high temperature resistance. Performance Parameters: Measuring Range: 0 - 2 MPa Supply Voltage Range:12.5 - 36 VDC Output Signal: 4-20mA / 4-20mA+HART Process Connection:Standard flange, customer must provide flange standard and dimensions. Full Scale Accuracy: 0.25% F.S, 0.5% F.S Ambient Temperature:-20 to 85°C Protection Rating: IP66 Explosion-proof Rating:Exia IICT4 and Exia IICT6 Electrical Connection: M20X1.5 internal thread Overpressure Limit: Static pressure resistance 13 MPa Housing Material:Low-copper aluminum casting Filling Fluid:Silicone Oil Paint Color: Blue-Grey two-tone high-adhesion polyester paint, durable, non-cracking, non-fading Diaphragm Material:316L Stainless Steel, Hastelloy C-276, Monel, Tantalum |














