Industrial Instruments
Economical Pressure Transmitter DPI706J
Pressure measurement of gases, liquids, and fluid media in industries such as Heat Exchange Station, Constant Pressure Water Supply, Vacuum Equipment, Natural Gas Installation, Gas Boiler, Central Air Conditioning Unit, etc.
Measuring Range:-100 - 0 KPa / 0 - 100 MPa
Power Supply:12.5-36VDC
Output Signal:4-20mA
Temperature Range:-20 to 85°C
Protection Rating:IP66
Download Materials: Click To Download
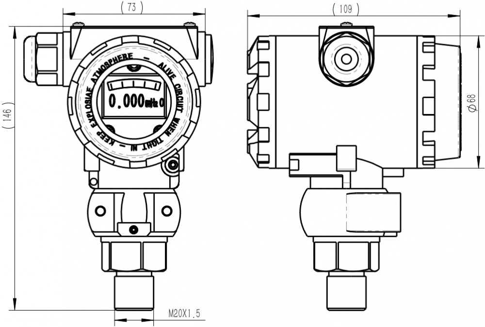
Outline Dimension Diagram:
Process Connection Thread:
Electrical Connection Diagram:
Product Introduction: Suitable for: Pressure measurement of gases, liquids, and fluid media in industries such as Heat Exchange Station, Constant Pressure Water Supply, Vacuum Equipment, Natural Gas Installation, Gas Boiler, Central Air Conditioning Unit, etc. Features: Compact size, easy installation, analog output signal, low-cost economical type, modular design, 1-year warranty provided, 4.5-digit LCD display head. Performance Parameters: Measuring Range: -100 - 0 KPa / 0 - 100 MPa Power Supply: 12.5-36VDC Output Signal: 4-20mA Process Connection: M20X1.5 external thread, G1/2 external thread, G1/4 external thread, NPT1/2 external thread. Other process connections available upon request, customer must provide standard and drawings. Full Scale Accuracy: 0.1% F.S, 0.25% F.S, 0.5% F.S Temperature Range: -20 to 85°C Protection Rating: IP66 Explosion Proof Rating: Exia IICT4 and Exia IICT6 Electrical Connection: M20X1.5 internal thread Over pressure Limit: 1.5 times full scale Burst Pressure: 3 times full scale Housing Material: Low-copper aluminum casting Filling Fluid: Silicone Oil Paint Color: Blue-Grey two-tone high-adhesion polyester paint, durable, non-cracking, non-fading Diaphragm Material: 316L stainless steel, Hastelloy C-276, Monel, Tantalum |
Outline Dimension Diagram:
Process Connection Thread:
Electrical Connection Diagram:
Product Introduction: Suitable for: Pressure measurement of gases, liquids, and fluid media in industries such as Heat Exchange Station, Constant Pressure Water Supply, Vacuum Equipment, Natural Gas Installation, Gas Boiler, Central Air Conditioning Unit, etc. Features: Compact size, easy installation, analog output signal, low-cost economical type, modular design, 1-year warranty provided, 4.5-digit LCD display head. Performance Parameters: Measuring Range: -100 - 0 KPa / 0 - 100 MPa Power Supply: 12.5-36VDC Output Signal: 4-20mA Process Connection: M20X1.5 external thread, G1/2 external thread, G1/4 external thread, NPT1/2 external thread. Other process connections available upon request, customer must provide standard and drawings. Full Scale Accuracy: 0.1% F.S, 0.25% F.S, 0.5% F.S Temperature Range: -20 to 85°C Protection Rating: IP66 Explosion Proof Rating: Exia IICT4 and Exia IICT6 Electrical Connection: M20X1.5 internal thread Over pressure Limit: 1.5 times full scale Burst Pressure: 3 times full scale Housing Material: Low-copper aluminum casting Filling Fluid: Silicone Oil Paint Color: Blue-Grey two-tone high-adhesion polyester paint, durable, non-cracking, non-fading Diaphragm Material: 316L stainless steel, Hastelloy C-276, Monel, Tantalum |
















