Sanitary Instruments
Sanitary Pressure Transmitter DPI40Z
Online pressure and level measurement in production processes for juice, jam, beer, alcohol, milk, medical water, etc.
Measuring Range:-100 - 0 KPa / 0 - 6 MPa
Power Supply:12.5-36VDC
Output Signal:4-20mA / 4-20mA+HART / RS485 RTU
Temperature Range:-20 to 85°C
Protection Rating:IP67
Download Materials: Click To Download
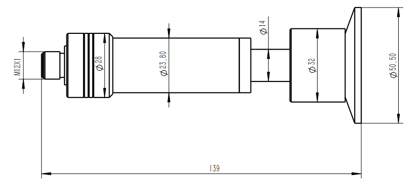
Outline Dimension Diagram:
![]()
Electrical Connection Diagram:
![]()
Product Introduction: Suitable for: Online pressure and level measurement in production processes for juice, jam, beer, alcohol, milk, medical water, etc., within pure water pipelines and equipment for Food, Beverage, Biology, Beer, Liquor, Dairy Products, Medical Water Treatment, Pharmaceutical Equipment. Features: Compact size, high accuracy, good stability, no moving parts, shock resistant, vibration resistant, reverse polarity protection, easy installation, good sealing, proprietary leak-free technology. Performance Parameters: Measuring Range: -100 - 0 KPa / 0 - 6 MPa Power Supply: 12.5-36VDC Output Signal: 4-20mA / 4-20mA+HART / RS485 RTU Process Connection:Φ50.5 clamp. Other process connections customizable, customer must provide standard and drawings. Full Scale Accuracy: 0.1% F.S, 0.25% F.S, 0.5% F.S Temperature Range: -20 to 85°C Protection Rating: IP67 Electrical Connection: M12X1 quick 4-pin connector Over pressure Limit: 3 times full scale Burst Pressure: 6 times full scale Filling Fluid: Silicone Oil Housing Material: 304 stainless steel Diaphragm Material: 316L stainless steel, Hastelloy C-276, Monel, Tantalum |
Outline Dimension Diagram:
Electrical Connection Diagram:
Product Introduction: Suitable for: Online pressure and level measurement in production processes for juice, jam, beer, alcohol, milk, medical water, etc., within pure water pipelines and equipment for Food, Beverage, Biology, Beer, Liquor, Dairy Products, Medical Water Treatment, Pharmaceutical Equipment. Features: Compact size, high accuracy, good stability, no moving parts, shock resistant, vibration resistant, reverse polarity protection, easy installation, good sealing, proprietary leak-free technology. Performance Parameters: Measuring Range: -100 - 0 KPa / 0 - 6 MPa Power Supply: 12.5-36VDC Output Signal: 4-20mA / 4-20mA+HART / RS485 RTU Process Connection:Φ50.5 clamp. Other process connections customizable, customer must provide standard and drawings. Full Scale Accuracy: 0.1% F.S, 0.25% F.S, 0.5% F.S Temperature Range: -20 to 85°C Protection Rating: IP67 Electrical Connection: M12X1 quick 4-pin connector Over pressure Limit: 3 times full scale Burst Pressure: 6 times full scale Filling Fluid: Silicone Oil Housing Material: 304 stainless steel Diaphragm Material: 316L stainless steel, Hastelloy C-276, Monel, Tantalum |

















